Skip to content
Home » Projects » Functional Test EGS002

Functional Test EGS002

Tonton video tutorial lengkap di YouTube

▶️ Watch on YouTube …

Functional Test EGS002: Updated December 22, 2021

The ordered EGS002 module has arrived and before installing it in the inverter it is better to do a functional test first, to make sure everything is functioning properly.!!!

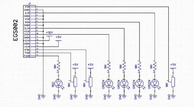
EGS002 Test Schematic

Preparation

Before inserting the EGS002 into the header and conducting the functional test, first apply power to the circuit above and adjust the variable resistors so that the voltages at the feedback pins is achieved as follows:

  1. Set the IFB variable resistor so that it reads 0V on the IFB pin.
  2. Next, set the VFB variable resistor so that it reads 0V on the VFB pin. (Yes, this is under voltage situation)
  3. Finally, set the TFB variable resistor so that it reads 0V on the TFB pin.
  4. Turn off the power,
  5. Insert module EGS002.

Functional Test

Turn on the power. You should see that all the green LEDs are on and also the red LEDs on the EGS002 module are on continuously. This indicates that all input feedback is under normal operating conditions and no errors have been detected.

However, soon the under-voltage condition will be acknowledged by the EGS002 board. The green LED’s will all turn off and the red EGS002 LED will flash four times.

Turn the VFB variable resistor until the VFB voltage pin is 3.0Volts. This should bring the EGS002 board back into normal operating conditions.

Now we start by changing the voltages at input feedback pins until the LED warning indication appears, as follows:

  • Under-Voltage:
    Still on the VFB input, but this time lower the VFB voltage to approximately 2.65Volts. Then slowly decrease further towards 2.55Volts. You will need to wait about 3 seconds before the EGS002 board recognizes the under-voltage condition. When the voltage gets to approximately 2.55Volts, the red LED on the EGS002 will blink four times and all green LED’s should turn off, meaning Under-Voltage has occurred. Return the VFB to 3.0V and the EGS002 should return to normal conditions.
  • Over-Voltage:
    Now, slowly turn the VFB variable resistor until the VFB voltage is more than 3.15Volts. The red LED on the EGS002 will blink and all the green LED’s will turn off. The red LED flashes three times, which means Over-Voltage has occurred. Return the VFB to 3.0V then the EGS002 should return to normal conditions.
  • Over Current:
    Measure the voltage on the IFB pin and slowly turn the IFB variable resistor until the IFB voltage is more than 0.55V. The red LED on the EGS002 will blink and all green LED’s will turn off. The EGS002 red LED flashes twice, which means Over-Current is occurring. Turn IFB potentiometer to achieve 0V on IFB. At this point, the green LED’s and EGS002 red LED should light up again to indicate normal operation.
  • Fan Activation via thermal feedback: (Red LED on Test Setup)
    Slowly increase the TFB voltage to approximately 3.4Volts. The test setup’s red LED should turn on to indicate the fan is being activated. Return the TFB to 3.0V and the EGS002 should return to normal conditions, including the test setup’s red LED turning off.
  • Over-Temperature via thermal feedback:
    Now, slowly increase the TFB voltage to approximately 4.4Volts. The Test Setup’s red LED will turn on to indicate the fan is being activated… AND… the red LED on the EGS002 will blink five times and all the green LED’s should turn off. This indicates an Over-Temp has occurred. Return the TFB voltage to 3.0V and the EGS002 should return to normal conditions, including the test setup red LED turning off.

This completes the EGS002 board testing.

Thank you for the contribution: Marty Reiss/Test-1

Back to Home

1 thought on “Functional Test EGS002”

  1. Pingback: Inverter EGS002: Simple Pure Sine Wave Inverter • Yopie DIY

Comments are closed.

Index