▶️ Watch on YouTube …
Protection and Buzzer Upgrade
This post will explain adding a circuit to the H-Bridge circuit on the EG8010 datasheet. Done by adding a different protection function from the ES002 default and adding a Buzzer signal.
What’s the difference?
When a problem occurs such as under-voltage, over-voltage, over-current or over-temperature, the EGS002 will temporarily stop the output of the SPWM signal while indicating the form of a flashing LED and then restart.
If the problem is not resolved EGS002 will repeat the process up to 5 times, then if the restart process is still problematic the SPWM output is turned off and does not restart again.
For more details about this, you can see my previous post about the EGS002 functional test and EGS002 simple inverter.
For certain purposes, sound indication is required and the inverter is immediately turned off (protected) when a problem occurs. Add an audible alarm buzzer circuit and protection to solve it.
Circuit
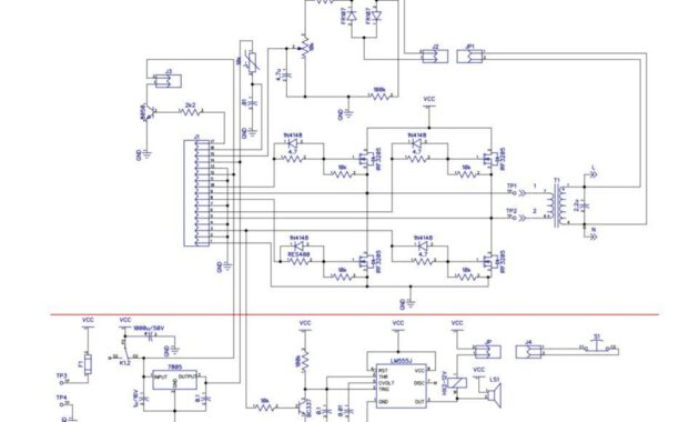
Let’s see the schematic below

The top of the red line on the schematic is the circuit in the datasheet EG8010 with the current-sensing resistor removed. The components used are also the same as those listed in the datasheet. But the datasheet doesn’t explain the required transformer, so here I use a transformer taken from an old UPS.
The circuit below the red line is an additional circuit for this purpose. Consists of a 5V regulator circuit as the EGS002 requires a 5V supply in addition to 12V.
Then a missing pulse detector circuit is added and connected to the 1LO pin of the EGS002. The task of this circuit is to monitor the pulse that comes out of the 1LO leg, which is a 50Hz pulse. This pulse will disappear when the alarm occurs, then it will be detected by the circuit so that it turns on the buzzer and relay. As a result, the buzzer sounds and the relay disconnects the supply voltage to the EGS002 module.
To turn it back on simply by pressing the push-off button. As long as the push-off button is not pressed or the power supply is not turned off the buzzer will continue to sound.
If you want the EGS002’s default protection system to be used, simply remove the “push off” button from the circuit.
If you need schematics and PCB layouts, please download them from the button below.
